Automatically Turn Dust Collector on When any Blast Gate is Opened

Woodworkers that visit my otherwise unimpressive subterranean workshop always seem to be impressed by the fact that the dust collector automatically turns on whenever one of the blast gates is opened. The modifications required to do that are described on this page. This is not so much a “how-to” as a description of what I’ve done. I've been a bit vague on some of the wiring and component details as there are substantial shock and fire risks associated with amateurishly done electrical wiring and I’m frankly concerned about that. But there is enough detail here so that your licensed electrician can hook something like this up for you pretty cheaply.

By the way, if you use any sort of system that turns your dust collector on and off a lot (with “a lot” being more than about five times per hour) you run the risk of burning out the motor. This is why I opted for a system that turned on the collector when any blast gate was opened, rather than a system that turned it on whenever any woodworking machine was turned on.

Last updated: July 19, 2025



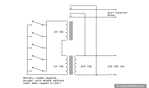
The system is quite simple. The motor of the dust collector is controlled by a relay with a low voltage coil. A transformer provides power for the relay. Each blast gate is fitted with a burglar alarm magnetic window switch. The magnet is installed on the slide of the blast gate, and the switch is on the body of the blast gate. When a slide is opened the magnet moves away from the switch, which closes the switch. This energizes the coil of the relay and turns on the dust collector. Here's what one of my blast gates looks like, closed:

Note that the magnet half of the switch is very close to the switch half of the switch when the gate is closed.  When the gate is opened the magnet half is pulled away, closing the switch:

Here's a shot of the transformer and relay (the latter in a box):

And here's the general schematic for the whole thing:

Again, I'm not providing part numbers or component specs here. All of this is just to give you an idea of how the system works.

Latest Plan for Sale
Search
Woodworkers' Popup Units Conversion Calculator

Calculator converts to/from decimal inches, fractional inches, millimeters. Popups must be enabled for this site.
Did you know....
.... you can click on most of the assembly photos on this site to enlarge them for a close look? Also, hovering the cursor over most linear dimension values will convert the values to decimal inches, fractional inches, and SI units.
Like Coffee?

My neighbors Ever's Distributors are now importing great coffee from Costa Rica. They ship everywhere. Check out their website!